Интегральные схемы Die Chips KDA5804
Не удалось загрузить данные о наличии самовывоза
Быстрая и бесплатная доставка
Быстрая и бесплатная доставка
Добавьте общую информацию о вашей политике доставки и отправки.
Гарантия
Гарантия
Отображение общей или конкретной информации о продукте с помощью метаполей.
Скачать файлы
- KDA5804 Скачать
- Обзор
- Приложения
- Спецификация
- Сравнение
- Обзоры

Обзор продукта
Приложения
-
Wireless communication systems
-
Satellite communication
-
Radar system
-
Test and measurement equipment
-
Internet of Things (IoT) equipment
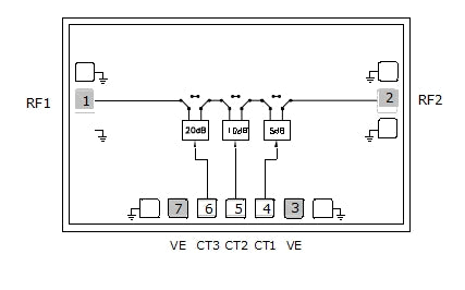
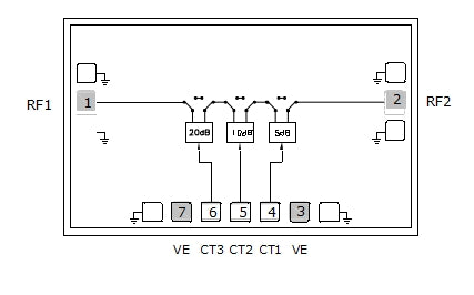
Frequency range
DC-40GHz
Insertion loss
4.0dB@40GHz(Typical Value)
Attenuation
5-35dB
Attenuation accuracy
1dB(Typical Value)
Return loss
−15dB(Typical Value)
Power supply
−5V/3.4mA(Typical Value)
Linear working area
≤23dBm
Switching time
30ns

